Product Summary
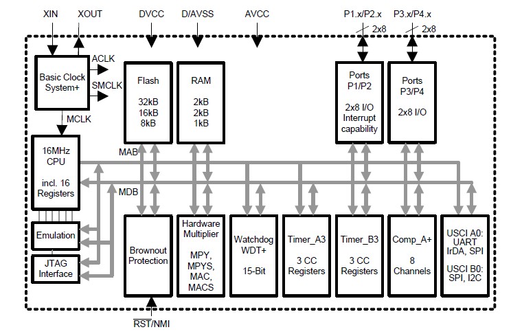
The MSP430F2370IRHA is an ultralow-power microcontroller. The architecture, combined with five low-power modes is optimized to achieve extended battery life in portablemeasurement applications. The MSP430F2370IRHA features a powerful 16-bit RISC CPU, 16-bit registers, and constant generators that contributes to maximum code efficiency.The digitally controlled oscillator (DCO) allows wake-up from low-power modes to active mode in less than 1 μs.
Parametrics
MSP430F2370IRHA absolute maximum ratings: (1)Voltage applied at VCC to VSS: -0.3 V to + 4.1 V; (2)Voltage applied to any pin: -0.3 V to VCC+0.3 V; (3)Diode current at any device terminal: ±2 mA; (4)Storage temperature (unprogrammed device): -55℃ to 150℃; (5)Storage temperature (programmed device): -40℃ to 105℃.
Features
MSP430F2370IRHA features: (1)Low Supply-Voltage Range, 1.8 V to 3.6 V; (2)Ultrafast Wake-Up From Standby Mode in Less Than 1 μs; (3)16-Bit RISC Architecture, 62.5 ns Instruction Cycle Time; (4)Hardware Multiplier; (5)16-Bit Timer_A With Three Capture/Compare Registers; (6)16-Bit Timer_B With Three Capture/Compare Registers; (7)On-Chip Comparator for Analog Signal Compare Function or Slope A/D Conversion; (8)Brownout Detector; (9)Serial Onboard Programming, No External Programming Voltage Needed Programmable Code Protection by Security Fuse.
Diagrams

| Image | Part No | Mfg | Description | ![]() |
Pricing (USD) |
Quantity | ||||||||||||
|---|---|---|---|---|---|---|---|---|---|---|---|---|---|---|---|---|---|---|
![]() |
![]() MSP430F2370IRHAR |
![]() Texas Instruments |
![]() 16-bit Microcontrollers (MCU) 16-bit Ultra-Lo-Pwr Microcontroller |
![]() Data Sheet |
![]()
|
|
||||||||||||
![]() |
![]() MSP430F2370IRHAT |
![]() Texas Instruments |
![]() 16-bit Microcontrollers (MCU) 16-bit Ultra-Lo-Pwr Microcontroller |
![]() Data Sheet |
![]()
|
|
||||||||||||
(China (Mainland))









