Product Summary
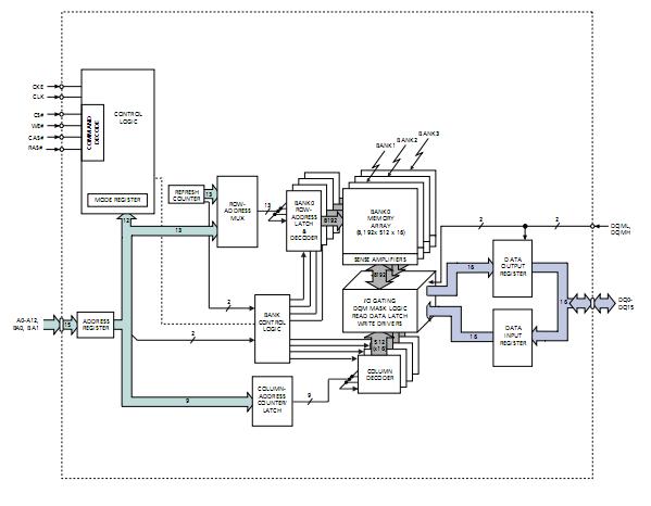
The MT48LC16M16A2P-75 is a 256Mb SDRAM. It is a high-speed CMOS, dynamic random-access memory containing 268,435,456 bits. The MT48LC16M16A2P-75 is internally configured as a quad-bank DRAM with a synchronous interface (all signals are registered on the positive edge of the clock signal, CLK). Each of the x16’s 67,108,864-bit banks is organized as 8,192 rows by 512 columns by 16 bits. The MT48LC16M16A2P-75 provides for programmable READ or WRITE burst lengths of 1, 2, 4, or 8 locations, or the full page, with a burst terminate option. The MT48LC16M16A2P-75 is designed to operate in 3.3V memory systems. An auto refresh mode is provided, along with a power-saving, power-down mode. All inputs and outputs are LVTTL-compatible.
Parametrics
MT48LC16M16A2P-75 absolute maximum ratings: (1)Voltage on VDD, VDDQ Supply Relative to VSS:-1V to +4.6V; (2)Voltage on Inputs, NC or I/O Pins Relative to VSS:-1V to +4.6V; (3)Operating Temperature(commercial):0℃ to +70℃; (4)Operating Temperature(industrial “IT”):-40℃ to +85℃; (5)Storage Temperature (plastic):-55℃ to +150℃; (6)Power Dissipation:1W.
Features
MT48LC16M16A2P-75 features: (1)PC66-, PC100-, and PC133-compliant; (2)Fully synchronous; all signals registered on positive edge of system clock; (3)Internal pipelined operation; column address can be changed every clock cycle; (4)Internal banks for hiding row access/precharge; (5)Programmable burst lengths: 1, 2, 4, 8, or full page; (6)Auto Precharge, includes CONCURRENT AUTO PRECHARGE, and Auto Refresh Modes; (7)Self Refresh Mode; (8)64ms, 8,192-cycle refresh; (9)LVTTL-compatible inputs and outputs; (10)Single +3.3V ±0.3V power supply.
Diagrams

| Image | Part No | Mfg | Description | ![]() |
Pricing (USD) |
Quantity | ||||||||||||||||||
|---|---|---|---|---|---|---|---|---|---|---|---|---|---|---|---|---|---|---|---|---|---|---|---|---|
![]() |
![]() MT48LC16M16A2P-75 |
![]() Other |
![]() |
![]() Data Sheet |
![]() Negotiable |
|
||||||||||||||||||
![]() |
![]() MT48LC16M16A2P-75 IT:D |
![]() |
![]() IC SDRAM 256MBIT 133MHZ 54TSOPII |
![]() Data Sheet |
![]()
|
|
||||||||||||||||||
![]() |
![]() MT48LC16M16A2P-75 L:D TR |
![]() |
![]() IC SDRAM 256MBIT 133MHZ 54TSOP |
![]() Data Sheet |
![]()
|
|
||||||||||||||||||
![]() |
![]() MT48LC16M16A2P-75 L:D |
![]() |
![]() IC SDRAM 256MBIT 133MHZ 54TSOP |
![]() Data Sheet |
![]()
|
|
||||||||||||||||||
![]() |
![]() MT48LC16M16A2P-75:D |
![]() |
![]() IC SDRAM 256MBIT 133MHZ 54TSOPII |
![]() Data Sheet |
![]()
|
|
||||||||||||||||||
![]() |
![]() MT48LC16M16A2P-75 IT:D TR |
![]() |
![]() IC SDRAM 256MBIT 133MHZ 54TSOP |
![]() Data Sheet |
![]()
|
|
||||||||||||||||||
![]() |
![]() MT48LC16M16A2P-75:D TR |
![]() |
![]() IC SDRAM 256MBIT 133MHZ 54TSOP |
![]() Data Sheet |
![]()
|
|
||||||||||||||||||
![]() |
![]() MT48LC16M16A2P-75IT |
![]() Other |
![]() |
![]() Data Sheet |
![]() Negotiable |
|
||||||||||||||||||
(China (Mainland))










