Product Summary
The PIC18F4420-I/PT is a 44-pin enhanced flash microcontroller with 10-bit A/D and nanoWatt technology. The advantages of all PIC18 microcontrollers – namely, high computational performance at an economical price – with the addition of high-endurance, Enhanced Flash program memory. On top of these features, the PIC18F4420-I/PT introduces design enhancements that make these microcontrollers a logical choice for many high-performance, power sensitive applications.
Parametrics
PIC18F4420-I/PT Absolute Maximum Ratings: (1)Ambient temperature under bias: -40℃ to +125℃; (2)Storage temperature: -65℃ to +150℃; (3)Voltage on any pin with respect to VSS: -0.3V to (VDD + 0.3V); (4)Voltage on VDD with respect to VSS: -0.3V to +7.5V; (5)Voltage on MCLR with respect to VSS: 0V to +13.25V; (6)Total power dissipation: 1.0W; (7)Maximum current out of VSS pin: 300 mA; (8)Maximum current into VDD pin: 250 mA; (9)Input clamp current, IIK (VI < 0 or VI > VDD): ±20 mA; (10)Output clamp current, IOK (VO < 0 or VO > VDD): ±20 mA; (11)Maximum output current sunk by any I/O pin: 25 mA; (12)Maximum output current sourced by any I/O pin: 25 mA; (13)Maximum current sunk by all ports: 200 mA; (14)Maximum current sourced by all ports: 200 mA.
Features
PIC18F4420-I/PT features: (1)Run: CPU on, Peripherals on; (2)Idle: CPU off, Peripherals on; (3)Sleep: CPU off, Peripherals off; (4)Ultra Low 50nA Input Leakage; (5)Run mode Currents Down to 11 μA Typical; (6)Idle mode Currents Down to 2.5 μA Typical; (7)Sleep mode Current Down to 100 nA Typical; (8)Timer1 Oscillator: 900 nA, 32 kHz, 2V; (9)Watchdog Timer: 1.4 μA, 2V Typical; (10)Two-Speed Oscillator Start-up.
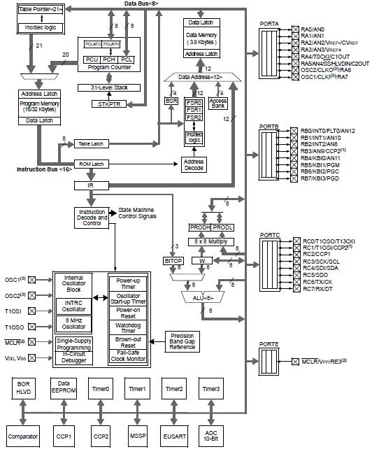
Diagrams

| Image | Part No | Mfg | Description | ![]() |
Pricing (USD) |
Quantity | ||||||||||||
|---|---|---|---|---|---|---|---|---|---|---|---|---|---|---|---|---|---|---|
![]() |
![]() PIC18F4420-I/PT |
![]() Microchip Technology |
![]() 8-bit Microcontrollers (MCU) 16KB 768 RAM 36I/O |
![]() Data Sheet |
![]()
|
|
||||||||||||
| Image | Part No | Mfg | Description | ![]() |
Pricing (USD) |
Quantity | ||||||||||||
![]() |
![]() PIC1018SCL |
![]() Other |
![]() |
![]() Data Sheet |
![]() Negotiable |
|
||||||||||||
![]() |
![]() PIC10F200 |
![]() Other |
![]() |
![]() Data Sheet |
![]() Negotiable |
|
||||||||||||
![]() |
![]() PIC10F200-E/MC |
![]() Microchip Technology |
![]() 8-bit Microcontrollers (MCU) 384B Flash16B RAM 4 I/O |
![]() Data Sheet |
![]()
|
|
||||||||||||
![]() |
![]() PIC10F200-E/OT |
![]() Other |
![]() |
![]() Data Sheet |
![]() Negotiable |
|
||||||||||||
![]() |
![]() PIC10F200-E/P |
![]() Microchip Technology |
![]() 8-bit Microcontrollers (MCU) U 579-PIC10F200-I/P |
![]() Data Sheet |
![]() Negotiable |
|
||||||||||||
![]() |
![]() PIC10F200-I/MC |
![]() Microchip Technology |
![]() 8-bit Microcontrollers (MCU) 0.375KB Fl 16B RAM |
![]() Data Sheet |
![]()
|
|
||||||||||||
(China (Mainland))










