Product Summary
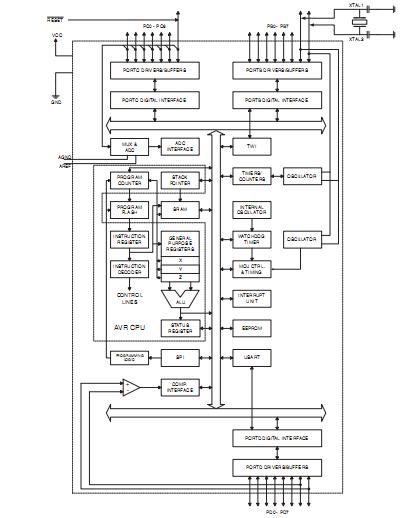
The ATMEGA8A-PU is a low-power CMOS 8-bit microcontroller based on the AVR RISC architecture. By executing powerful instructions in a single clock cycle, the ATMEGA8A-PU achieves throughputs approaching 1 MIPS per MHz, allowing the system designer to optimize power consumption versus processing speed.
Parametrics
ATMEGA8A-PU absolute maximum ratings: (1)Operating Temperature:-55℃ to +125℃; (2)Storage Temperature:-65℃ to +150℃; (3)Voltage on any Pin except RESET; (4)with respect to Ground:-0.5V to VCC+0.5V; (5)Voltage on RESET with respect to Ground:-0.5V to +13.0V; (6)Maximum Operating Voltage: 6.0V; (7)DC Current per I/O Pin:40.0 mA; (8)DC Current VCC and GND Pins:300.0 mA.
Features
ATMEGA8A-PU features: (1)I/O and Packages:23 Programmable I/O Lines,28-lead PDIP, 32-lead TQFP, and 32-pad QFN/MLF; (2)Operating Voltages:2.7 to 5.5V for ATmega8A; (3)Speed Grades:0 to 16 MHz for ATmega8A; (4)Power Consumption at 4 Mhz, 3V, 25℃:Active: 3.6 mA,Idle Mode: 1.0 mA,Power-down Mode: 0.5 μA; (5)Power-on Reset and Programmable Brown-out Detection; (6)Internal Calibrated RC Oscillator; (7)External and Internal Interrupt Sources; (8)Five Sleep Modes: Idle, ADC Noise Reduction, Power-save, Power-down, and Standby; (9)Byte-oriented Two-wire Serial Interface; (10)Programmable Serial USART; (11)Master/Slave SPI Serial Interface; (12)Programmable Watchdog Timer with Separate On-chip Oscillator; (13)On-chip Analog Comparator; (14)8K Bytes of In-System Self-programmable Flash program memory; (15)512 Bytes EEPROM; (16)1K Byte Internal SRAM; (17)Write/Erase Cycles: 10,000 Flash/100,000 EEPROM; (18)Data retention: 20 years at 85℃/100 years at 25℃; (19)130 Powerful Instructions – Most Single-clock Cycle Execution; (20)32 x 8 General Purpose Working Registers; (21)Fully Static Operation; (22)Up to 16 MIPS Throughput at 16 MHz.
Diagrams

| Image | Part No | Mfg | Description | ![]() |
Pricing (USD) |
Quantity | ||||||||||||
|---|---|---|---|---|---|---|---|---|---|---|---|---|---|---|---|---|---|---|
![]() |
![]() ATMEGA8A-PU |
![]() Atmel |
![]() 8-bit Microcontrollers (MCU) AVR 8KB, 512B EE 16MHz 1KB SRAM |
![]() Data Sheet |
![]()
|
|
||||||||||||
| Image | Part No | Mfg | Description | ![]() |
Pricing (USD) |
Quantity | ||||||||||||
![]() |
![]() ATMEG163POD |
![]() |
![]() IC AVR MCU ICE30 40PIN MEGAAVR |
![]() Data Sheet |
![]() Negotiable |
|
||||||||||||
![]() |
![]() ATmega103 |
![]() Other |
![]() |
![]() Data Sheet |
![]() Negotiable |
|
||||||||||||
![]() |
![]() ATMEGA103-6AC |
![]() Atmel |
![]() 8-bit Microcontrollers (MCU) TQFP-64 128K FLASH 5 |
![]() Data Sheet |
![]() Negotiable |
|
||||||||||||
![]() |
![]() ATMEGA103-6AI |
![]() |
![]() IC MCU 128K 6MHZ A/D IT 64TQFP |
![]() Data Sheet |
![]() Negotiable |
|
||||||||||||
![]() |
![]() ATMEGA103-6AU |
![]() Other |
![]() |
![]() Data Sheet |
![]() Negotiable |
|
||||||||||||
![]() |
![]() ATmega103L |
![]() Other |
![]() |
![]() Data Sheet |
![]() Negotiable |
|
||||||||||||
(China (Mainland))












