Product Summary
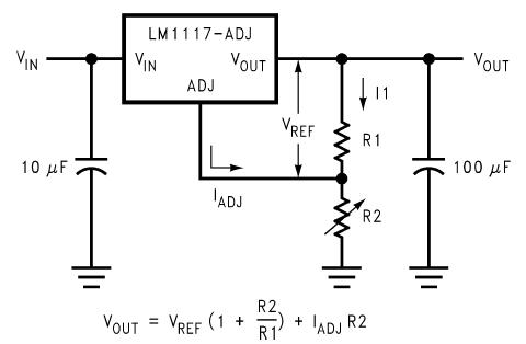
The LM1117MP-3.3/NOPB is an 800mA low-dropout linear regulator. It has the same pin-out as National Semiconductor’s industry standard LM317. The LM1117MP-3.3/NOPB is available in an adjustable version, which can set the output voltage from 1.25V to 13.8V with only two external resistors. In addition, it is also available in five fixed voltages, 1.8V, 2.5V, 2.85V, 3.3V, and 5V. The LM1117MP-3.3/NOPB offers current limiting and thermal shutdown. Its circuit includes a zener trimmed bandgap reference to assure output voltage accuracy to within ±1%. The applications of the LM1117MP-3.3/NOPB include 2.85V Model for SCSI-2 Active Termination, Post Regulator for Switching DC/DC Converter, High Efficiency Linear Regulators, Battery Charger, Battery Powered Instrumentation.
Parametrics
LM1117MP-3.3/NOPB absolute maximum ratings: (1)Maximum Input Voltage (VIN to GND): 20V; (2)Power Dissipation: Internally Limited; (3)Junction Temperature (TJ): 150℃; (4)Storage Temperature Range: -65℃ to 150℃; (5)Lead Temperature: TO-220 (T) Package: 260℃, 10 sec; SOT-223 (IMP) Package: 260℃, 4 sec; (6)ESD Tolerance: 2000V.
Features
LM1117MP-3.3/NOPB features: (1)Available in 1.8V, 2.5V, 2.85V, 3.3V, 5V, and Adjustable Versions; (2)Space Saving SOT-223 and LLP Packages; (3)Current Limiting and Thermal Protection; (4)Output Current: 800mA; (5)Line Regulation: 0.2% (Max); (6)Load Regulation: 0.4% (Max); (7)Temperature Range — LM1117 0℃ to 125℃.
Diagrams

| Image | Part No | Mfg | Description | ![]() |
Pricing (USD) |
Quantity | ||||||||||||
|---|---|---|---|---|---|---|---|---|---|---|---|---|---|---|---|---|---|---|
![]() |
![]() LM1117MP-3.3/NOPB |
![]() National Semiconductor (TI) |
![]() Low Dropout (LDO) Regulators 800MA LDO LINEAR REG |
![]() Data Sheet |
![]()
|
|
||||||||||||
| Image | Part No | Mfg | Description | ![]() |
Pricing (USD) |
Quantity | ||||||||||||
![]() |
![]() LM11 |
![]() Other |
![]() |
![]() Data Sheet |
![]() Negotiable |
|
||||||||||||
![]() |
![]() LM110 |
![]() Other |
![]() |
![]() Data Sheet |
![]() Negotiable |
|
||||||||||||
![]() |
![]() LM1100XJ |
![]() Other |
![]() |
![]() Data Sheet |
![]() Negotiable |
|
||||||||||||
![]() |
![]() LM1108 |
![]() Other |
![]() |
![]() Data Sheet |
![]() Negotiable |
|
||||||||||||
![]() |
![]() LM110H |
![]() Other |
![]() |
![]() Data Sheet |
![]() Negotiable |
|
||||||||||||
![]() |
![]() LM111 |
![]() Other |
![]() |
![]() Data Sheet |
![]() Negotiable |
|
||||||||||||
(China (Mainland))










