Product Summary
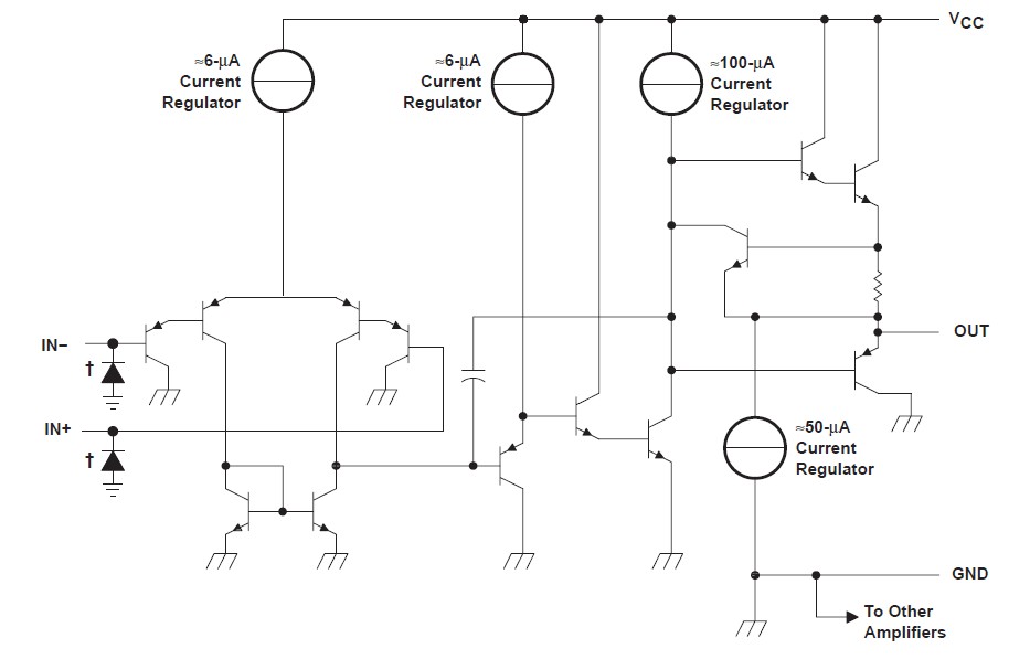
The LM324 is a quadruple operational amplifier. The LM324 consists of four independent high-gain frequency-compensated operational amplifiers that are designed specifically to operate from a single supply over a wide range of voltages. Operation of the LM324 from split supplies also is possible if the difference between the two supplies is 3 V to 32 V (3 V to 26 V for the LM2902), and VCC is at least 1.5 V more positive than the input common-mode voltage. The low supply-current drain of the LM324 is independent of the magnitude of the supply voltage. Applications include transducer amplifiers, dc amplification blocks, and all the conventional operational-amplifier circuits that now can be more easily implemented in single-supply-voltage systems.
Parametrics
LM324 absolute maximum ratings: (1)Supply voltage, VCC: ±13 or 26V; (2)Differential input voltage, VID: ±26; (3)Input voltage, VI: -0.3 to 26; (4)Operating virtual junction temperature, TJ: 150 ℃; (5)Case temperature for 60 seconds FK package: 260 ℃; (6)Lead temperature 1,6 mm (1/16 inch) from case for 60 seconds J or W package: 300 ℃; (7)Storage temperature range, Tstg: -65 to 150℃.
Features
LM324 features: (1)Wide Supply Ranges; (2)Low Supply-Current Drain Independent of Supply Voltage: 0.8 mA Typ; (3)Low Input Bias and Offset Parameters; (4)Differential Input Voltage Range Equal to Maximum-Rated Supply Voltage: 32 V; (5)Open-Loop Differential Voltage Amplification: 100 V/mV Typ; (6)Internal Frequency Compensation.
Diagrams

| Image | Part No | Mfg | Description | ![]() |
Pricing (USD) |
Quantity | ||||||||||||
|---|---|---|---|---|---|---|---|---|---|---|---|---|---|---|---|---|---|---|
![]() |
![]() LM3241TLE/NOPB |
![]() National Semiconductor (TI) |
![]() Operational Amplifiers - Op Amps |
![]() Data Sheet |
![]()
|
|
||||||||||||
![]() |
![]() LM3241TLX/NOPB |
![]() National Semiconductor (TI) |
![]() Operational Amplifiers - Op Amps |
![]() Data Sheet |
![]()
|
|
||||||||||||
![]() |
![]() LM3242TM-EV/NOPB |
![]() National Semiconductor (TI) |
![]() Power Management IC Development Tools LM3242 Eval Mod |
![]() Data Sheet |
![]()
|
|
||||||||||||
![]() |
![]() LM3243EVM/NOPB |
![]() National Semiconductor (TI) |
![]() Power Management IC Development Tools LM3243 Eval Mod |
![]() Data Sheet |
![]()
|
|
||||||||||||
![]() |
![]() LM3243TME/NOPB |
![]() National Semiconductor (TI) |
![]() PMIC Solutions 2.7MHz,2.5A SD DC/DC Converter |
![]() Data Sheet |
![]()
|
|
||||||||||||
![]() |
![]() LM3243TMX/NOPB |
![]() National Semiconductor (TI) |
![]() PMIC Solutions 2.7MHz,2.5A SD DC/DC Converter |
![]() Data Sheet |
![]()
|
|
||||||||||||
![]() |
![]() LM3249TLX-C/NOPB |
![]() National Semiconductor (TI) |
![]() Operational Amplifiers - Op Amps |
![]() Data Sheet |
![]()
|
|
||||||||||||
![]() |
![]() LM324AN |
![]() Fairchild Semiconductor |
![]() Operational Amplifiers - Op Amps Quad Operational Amp |
![]() Data Sheet |
![]()
|
|
||||||||||||
(China (Mainland))










