Product Summary
The MRF899 is an NPN silicon RF power transistor. Designed for 26 Volt UHF large–signal, common emitter, Class AB linear amplifier applications in industrial and commercial FM/AM equipment operating in the range 800–960 MHz.
Parametrics
MRF899 absolute maximum ratings: (1)Collector–Emitter Voltage, VCEO: 28 Vdc; (2)Collector–Emitter Voltage, VCES: 60 Vdc; (3)Emitter–Base Voltage, VEBO: 4.0 Vdc; (4)Collector–Current - Continuous, IC: 25 Adc; (5)Total Device Dissipation, PD: 230W @ TC = 25℃; 1.33W/℃ when Derate above 25℃; (6)Storage Temperature Range, Tstg: –65 to +150℃.
Features
MRF899 features: (1)Specified 26 Volt, 900 MHz Characteristics: Output Power = 150 Watts (PEP); Minimum Gain = 8.0 dB @ 900 MHz, Class AB; Minimum Efficiency = 35% @ 900 MHz, 150 Watts (PEP); Maximum Intermodulation Distortion –28 dBc @ 150 Watts (PEP); (2)Characterized with Series Equivalent Large–Signal Parameters from 800 to 960 MHz; (3)Silicon Nitride Passivated; (4)100% Tested for Load Mismatch Stress at all Phase Angles with 5:1 VSWR @ 26 Vdc, and Rated Output Power; (5)Gold Metallized, Emitter Ballasted for Long Life and Resistance to Metal Migration; (6)Circuit board photomaster available upon request by contacting RF Tactical Marketing in Phoenix, AZ.
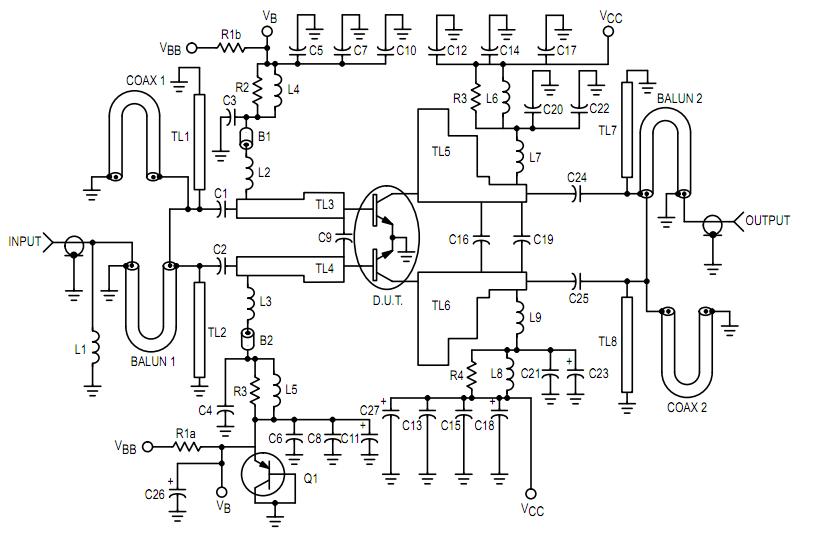
Diagrams

| Image | Part No | Mfg | Description | ![]() |
Pricing (USD) |
Quantity | ||||
|---|---|---|---|---|---|---|---|---|---|---|
![]() |
![]() MRF899D |
![]() Other |
![]() |
![]() Data Sheet |
![]() Negotiable |
|
||||
![]() |
![]() MRF899 |
![]() Freescale Semiconductor |
![]() TRANS RF 150W 900MHZ NI-860C3 |
![]() Data Sheet |
![]() Negotiable |
|
||||
(China (Mainland))









