Product Summary
The TLC2274AIDR is a dual and quadruple operational amplifier from Texas Instruments. The TLC2274AIDR exhibits rail-to-rail output performance for increased dynamic range in single- or split-supply applications. The TLC2274AIDR offers 2 MHz of bandwidth and 3 V/μs of slew rate for higher speed applications. This device offers comparable AC performance while having better noise, inputs offset voltage, and power dissipation than existing CMOS operational amplifiers. The TLC2274AIDR has a noise voltage of 9 nV/√Hz, two times lower than competitive solutions. The TLC2274AIDR, exhibiting high input impedance and low noise, is excellent for small-signal conditioning for high-impedance sources, such as piezoelectric transducers. Because of the micropower dissipation levels, the device works well in hand-held monitoring and remote-sensing applications.
Parametrics
TLC2274AIDR absolute maximum ratings: (1)Supply voltage, VDD+: 8 V; (2)Supply voltage, VDD-: 8 V; (3)Differential input voltage, VID: ±16 V; (4)Input voltage range, VI: VDD- -0.3 V to VDD+; (5)Input current, II (any input): ±5 mA; (6)Output current, IO: ±50 mA; (7)Total current into VDD+: ±50 mA; (8)Total current out of VDD: ±50 mA; (9)Duration of short-circuit current at (or below) 25℃: unlimited; (10)Package thermal impedance, θJA (see Notes 4 and 5): D package (8 pin): 97.1℃/W; D package (14 pin): 86.2℃/W; N package: 79.7℃/W; P package: 84.6℃/W; PW package (8 pin): 149℃/W; PW package (14 pin): 113℃/W; (11)Package thermal impedance, θJC: FK package: 5.6℃/W; J package: 15.1℃/W; U package: 14.7℃/W; (12)Operating free-air temperature range, TA: C suffix: 0℃ to 70℃; I, Q suffix: -40℃ to 125℃; M suffix: -55℃ to 125℃; (13)Storage temperature range: -65℃ to 150℃; (14)Lead temperature 1,6 mm (1/16 inch) from case for 10 seconds: D, N, P or PW package: 260℃; (15)Lead temperature 1,6 mm (1/16 inch) from case for 60 seconds: J or U package: 300℃.
Features
TLC2274AIDR features: (1)Output Swing Includes Both Supply Rails; (2)Low Noise, 9 nV/√Hz Typ at f = 1 kHz; (3)Low Input Bias Current, 1 pA Typ; (4)Fully Specified for Both Single-Supply and Split-Supply Operation; (5)Common-Mode Input Voltage Range Includes Negative Rail; (6)High-Gain Bandwidth, 2.2 MHz Typ; (7)High Slew Rate, 3.6 V/μs Typ; (8)Low Input Offset Voltage, 950 μV Max at TA = 25℃; (9)Macromodel Included; (10)Performance Upgrades for the TS272, TS274, TLC272, and TLC274; (11)Available in Q-Temp Automotive, HighRel Automotive Applications, Configuration Control / Print Support, Qualification to Automotive Standards.
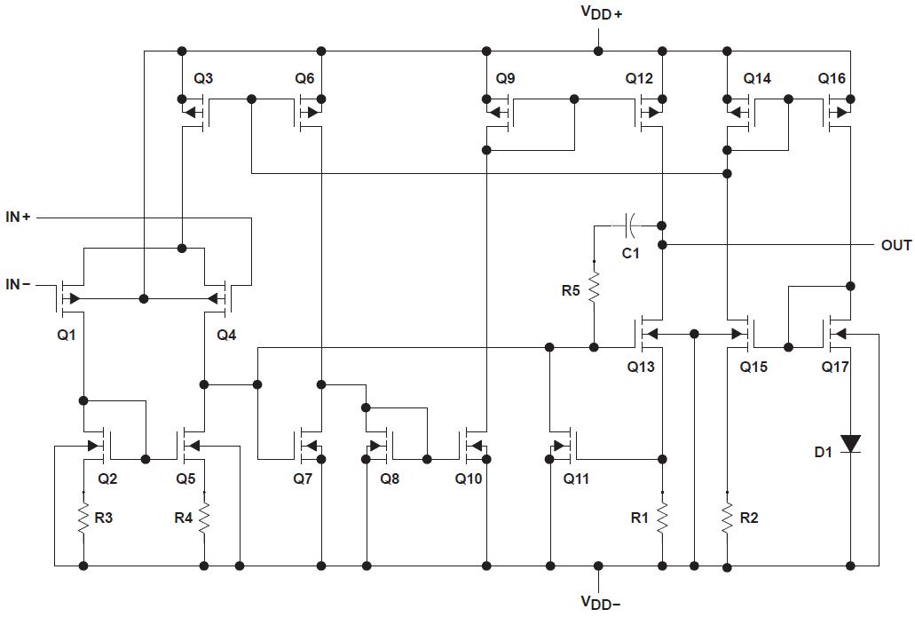
Diagrams

| Image | Part No | Mfg | Description | ![]() |
Pricing (USD) |
Quantity | ||||||||||||
|---|---|---|---|---|---|---|---|---|---|---|---|---|---|---|---|---|---|---|
![]() |
![]() TLC2274AIDR |
![]() Texas Instruments |
![]() Operational Amplifiers - Op Amps Advanced LinCMOS Rail-To-Rail Quad |
![]() Data Sheet |
![]()
|
|
||||||||||||
![]() |
![]() TLC2274AIDRG4 |
![]() Texas Instruments |
![]() Operational Amplifiers - Op Amps Advanced LinCMOS Rail-To-Rail Quad |
![]() Data Sheet |
![]()
|
|
||||||||||||
(China (Mainland))









