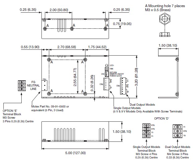
Product Summary
The as15-F is an AC-DC power supply.
Parametrics
as15-F maximum ratings: (1)Input Voltage: 90-132 VAC/180-264 VAC, auto ranging; (2)Input Frequency: 47-63 Hz; (3)Input Current: 6 A at 115 VAC, 3 A at 230 VAC; (4)Inrush Current: Max 70 A at 230 VAC, 35 A at 115 VAC, cold start; (5)Power Factor: To EN61000-3-2 Class A; (6)Earth Leakage Current: <1.5 mA at 264 VAC, option L500 leakage current; (7)Input Protection: Fitted with a T6.3 A/250 V fuse on dual output models, T8 A/250 V fuse on single output models.
Features
as15-F features: (1)3 x 5Footprint; (2)Fits 1U Applications; (3)Low Leakage Current Option; (4)Up to 600 W Peak Power; (5)Single & Dual Outputs; (6)Top Fan & Convection-cooled Versions; (7)Output Voltages from 5 V to 60 V.
Diagrams

![]() |
![]() AS1500 |
![]() |
![]() IC POT DGTL 10K SERIAL 8-SOIC |
![]() Data Sheet |
![]()
|
|
||||||||||||||||||||
![]() |
![]() AS1500-T |
![]() |
![]() IC DIGITAL POT 10K SERIAL 8-SOIC |
![]() Data Sheet |
![]()
|
|
||||||||||||||||||||
![]() |
![]() AS1501 |
![]() |
![]() IC DIGITAL POT 20K SERIAL 8-SOIC |
![]() Data Sheet |
![]()
|
|
||||||||||||||||||||
![]() |
![]() AS1501-7R |
![]() |
![]() EURO-CASSETTE 100W 15V |
![]() Data Sheet |
![]()
|
|
||||||||||||||||||||
![]() |
![]() AS1501-T |
![]() |
![]() IC POT DGTL 20K SERIAL 8-SOIC |
![]() Data Sheet |
![]()
|
|
||||||||||||||||||||
![]() |
![]() AS1502 |
![]() |
![]() IC DIGITAL POT 50K SERIAL 8-SOIC |
![]() Data Sheet |
![]()
|
|
||||||||||||||||||||
(China (Mainland))









