Product Summary
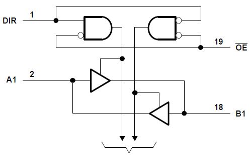
The SN74LVC245APWR is an octal BUS transceiver with 3-state outputs. The SN74LVC245APWR is designed for asynchronous communication between data buses. The device transmits data from the A bus to the B bus or from the B bus to the A bus, depending on the logic level at the direction-control (DIR) input. The output-enable (OE) input can be used to disable the SN74LVC245APWR so the bus effectively is isolated.
Parametrics
SN74LVC245APWR absolute maximum ratings: (1)Supply voltage range, VCC: -0.5 to 6.5 V; (2)Input voltage range, VI: -0.5 to 6.5 V; (3)Voltage range applied to any output in the high-impedance or power-off state, VO: -0.5 to 6.5 V; (4)Voltage range applied to any output in the high or low state, VO: -0.5 to VCC + 0.5 V; (5)Input clamp current, VI < 0, IlK: -50 mA; (6)Output clamp current, VO < 0, IOK: -50 mA; (7)Continuous output current, IO: ±50 mA; (8)Continuous current through: ±100 mA; (9)Package thermal impedance, DB package: 70℃/W; (10)Storage temperature range, Tstg: -65 to 150℃.
Features
SN74LVC245APWR Features: (1)Operates From 1.65 V to 3.6 V; (2)Inputs Accept Voltages to 5.5 V; (3)Max tpd of 6.3 ns at 3.3 V; (4)Typical VOLP (Output Ground Bounce) <0.8 V at VCC = 3.3 V, TA = 25℃; (5)Typical VOHV (Output VOH Undershoot) >2 V at VCC = 3.3 V, TA = 25℃; (6)Ioff Supports Partial-Power-Down Mode Operation; (7)Supports Mixed-Mode Signal Operation on All Ports (5-V Input/Output Voltage With 3.3-V VCC); (8)Latch-Up Performance Exceeds 250 mA Per JESD 17; (9)ESD Protection Exceeds JESD 22: 2000-V Human-Body Model (A114-A), 1000-V Charged-Device Model (C101).
Diagrams

| Image | Part No | Mfg | Description | ![]() |
Pricing (USD) |
Quantity | ||||||||||||
|---|---|---|---|---|---|---|---|---|---|---|---|---|---|---|---|---|---|---|
![]() |
![]() SN74LVC245APWR |
![]() Texas Instruments |
![]() Bus Transceivers Tri-State Octal Bus |
![]() Data Sheet |
![]()
|
|
||||||||||||
![]() |
![]() SN74LVC245APWRE4 |
![]() Texas Instruments |
![]() Bus Transceivers Octal Bus Trnscvr With 3-State Outputs |
![]() Data Sheet |
![]()
|
|
||||||||||||
![]() |
![]() SN74LVC245APWRG3 |
![]() Texas Instruments |
![]() Bus Transceivers Octal Bus Xcvr |
![]() Data Sheet |
![]()
|
|
||||||||||||
![]() |
![]() SN74LVC245APWRG4 |
![]() Texas Instruments |
![]() Bus Transceivers Octal Bus Trnscvr With 3-State Outputs |
![]() Data Sheet |
![]()
|
|
||||||||||||
(China (Mainland))









